LAREL Presostat apă reglabil XP110 2 - 6 bar

LAREL
81,34 Lei
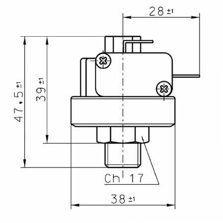
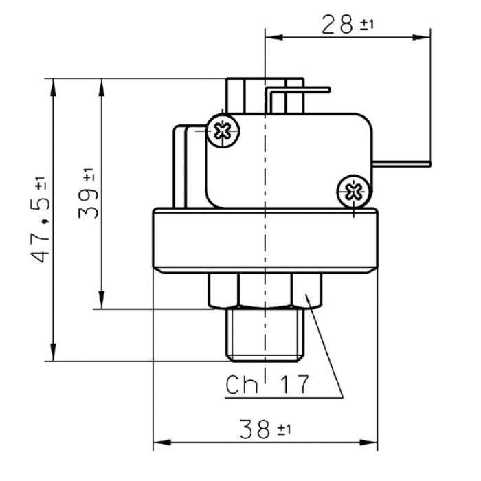
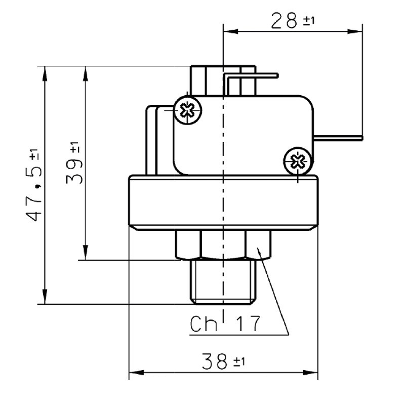
Racord: baza din alama 1/8" GAZ
Diafragma: AISI 316
Setare din fabrică: 4 bar
Reglare: cu șurub
Temperatura maximă a fluidului: 150 °C
Contacte microîntrerupător: 16A 250Vac C-NO-NC
Terminale: Fast-on 6,3 x 0,8
Aprobat EN60730 și Directiva nr. 2014/68/UE
 
In stoc

Durata de livrare: 5 zile

Limita stoc
Adauga in cos
Cod Produs: 14707013 Ai nevoie de ajutor? 0756339233
Adauga la Favorite Cere informatii
  • Descriere
  • Review-uri (0)
Senzor de presiune apă (presostat) cu prag de intervenție reglabil de la 2 la 6 bar, pentru aplicații de siguranță activează contactul microîntrerupatorului NC - NO când presiunea crește peste pragul prestabilit, este utilizat în mod normal pentru sisteme de încălzire de ex. sobe hidro peleti si cazane cu sistem vas inchis.
De construcție robustă și de lungă durată, suportă solicitările mecanice și condițiile termice ridicate.
Elementul membrană sensibil prin expansiunea sa activează microîntrerupătorul și determină starea de deschidere sau închidere a contactelor, al căror curent maxim suportat este de 16 Amperi la 250 Volți.
Potrivit pentru utilizare cu fluide gazoase sau lichide, cu temperaturi de până la 150 °C.
 
Informatii conformitate produs
Daca doresti sa iti exprimi parerea despre acest produs poti adauga un review.

Review-ul a fost trimis cu succes.

Compara produse

Trebuie sa mai adaugi cel putin un produs pentru a compara produse.

A fost adaugat la favorite!

A fost sters din favorite!